The Central Air Conditioning Terminal Balance Regulation and Control System provides comprehensive operational regulation centered on cooling and heating supply. It realizes refined regulation, control and optimization of room temperatures within the park, improves environmental comfort, and helps the park achieve energy conservation and sustainable development.
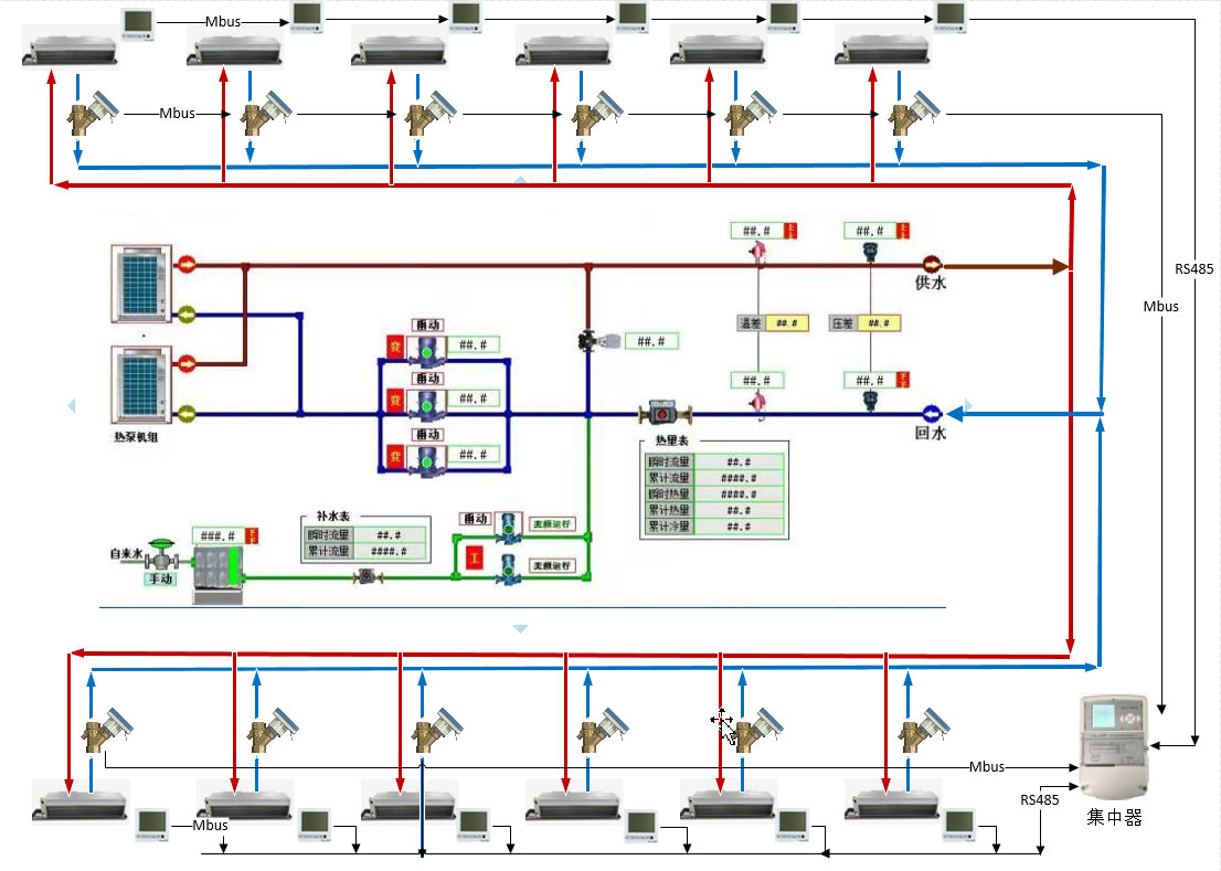
This system can realize a three-in-one regulation system consisting of the source (energy station), network (flow control water valve), and terminal (networked temperature control panel). It achieves temperature balance of all rooms in the network, energy conservation, and time-sharing and zone-based regulation to meet the needs of different scenarios. On the premise of ensuring indoor comfort of the building, it maximizes the operating energy efficiency of the central air conditioning system and reduces the operating energy consumption and management cost of the air conditioning system


Functional Characteristics
• Load Forecasting: It displays the predicted load values and real-time cooling capacity for each time period of the day, enabling intuitive understanding of current and future load conditions, and facilitating corresponding adjustments and decisions
• Equipment Overview: It performs real-time monitoring of the operating status frequency, fault alarms, and other conditions of various equipment in the equipment room, enabling an overall grasp of the operating information of all equipment in the system and facilitating timely decisions and adjustments.
• Energy Savings Analysis: It covers the total energy savings during the entire cooling season, along with the energy-saving performance and proportion analysis of main units, water pumps, and cooling tower equipment, so as to identify equipment categories with significant improvement potential.
• Energy Efficiency Analysis: It displays and analyzes the energy efficiency of the system and each main unit at each time period of the day. This helps understand the differences in energy efficiency between the system and the main units, as well as the potential for energy efficiency improvement.
• Water Temperature Monitoring: It conducts real-time monitoring and analysis of the temperature values of chilled water supply and return, as well as cooling water inlet and outlet, at each time period of the day. This enables timely detection of abnormal conditions, improving the system's energy efficiency and operational stability.
• Reasonably distribute the total load in the pipe network. By adjusting valves in conjunction with panel control, make adjustments to rooms with lower or higher temperatures to achieve temperature balance between rooms.
• The energy-saving rate of independent optimization for cold and heat source equipment can reach over 10%.
• The overall energy saving rate of the hot and cold station can reach more than 20%.
• Diagnosis and analysis of potential risks, timely reminders for fault alarms, real-time intelligent control via professional algorithms, and support for access through multiple terminals including mobile phones and web – all allowing users to keep track of equipment operation status anytime and anywhere.
• Configurable room temperature floor plan, combined with AI services, offers multiple room temperature control modes
• Customizable park air conditioning scenario strategy