You are here: Home » Applications » Smart Park
Smart-park-management-system.jpg

The smart park management system combines energy supply, monitoring, intelligent lighting, security, elevator management, civil defense, parking, video surveillance, fire safety, environmental monitoring & ventilation, e-patrols, solar power, charging stations, etc., enabling centralized control and

Read More
Distributed-New-Energy-Station-Cooling-and-Heating-Supply-System.jpg

The cooling and heating cogeneration system of distributed new energy stations is composed of modules such as energy production, energy conversion, energy storage and transmission, and control management. It adopts new energy sources (such as solar energy, wind energy, geothermal energy, air energy

Read More
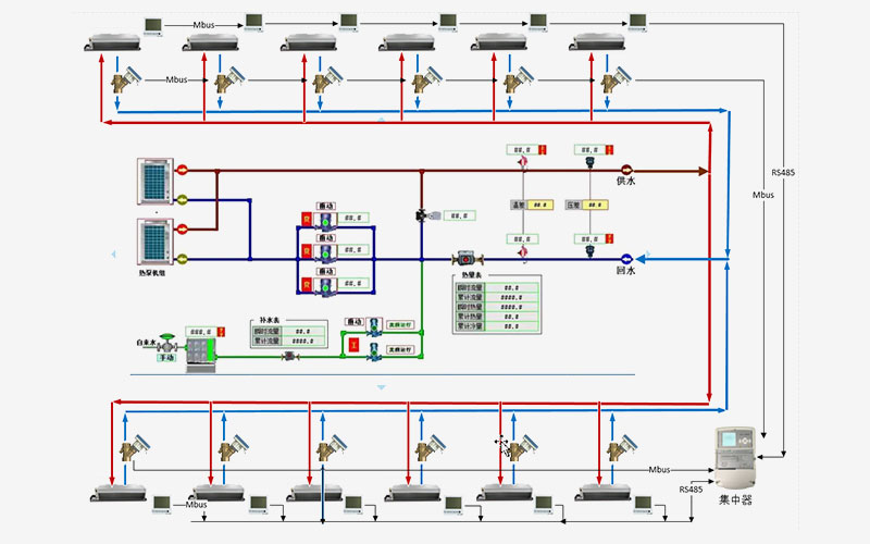
Air-source-Heat-Pump-Energy-Supply-System.jpg

The near-zero emission energy supply system with complementary photovoltaics and air-source heat pumps is a comprehensive energy utilization system that integrates photovoltaic power generation, photovoltaic waste heat, and air-source heat pump technologies. This system is mainly composed of photovo

Read More
Central-Air-Conditioning-Terminal-Balance-Regulation-and-Control-System.jpg

The Central Air Conditioning Terminal Balance Regulation and Control System provides comprehensive operational regulation centered on cooling and heating supply. It realizes refined regulation, control and optimization of room temperatures within the park, improves environmental comfort, and helps

Read More
Eco-city-Public-Building-Energy-Consumption-Monitoring-Platform.jpg

This platform can realize the monitoring and management of the four major energy sources (water, electricity, gas and heat) in public buildings, with functions including energy consumption data monitoring, expense statistics, unit consumption ranking, classified statistics of electricity consumption

Read More
Through 15 years of development, Hetong has become one of the leading R&D and manufacturing companies in China, specializing in ultrasonic water meters, IoT water meters, and ultrasonic heat meters.

Quick Links

Products

Contact Us

 +86-531-88892286
 +86-15689728176
 ntjt_htxx_yxglb@jinanenergy.cn
 A7-5-1101 High-tech district Hanyu Jingu, Jinan, 250100 Shandong, P.R. China
Copyright © 2025 Shandong Hetong Information Technology Co., Ltd. All rights reserved. Sitemap Privacy Policy